Датчики позиционирования и наличия объектов
Датчики контроля уровня
Приборы для взрывоопасных зон
Приборы зон безопасности
Соединители
Блоки питания и барьеры искрозащиты
Принадлежности
Архив продукции
Индуктивные датчики положения Ех
Индуктивные датчики во взрывозащищенном исполнении серия ВБИ-Ех, спроектированы с видом взрывозащиты «mb» (герметизация компаундом).
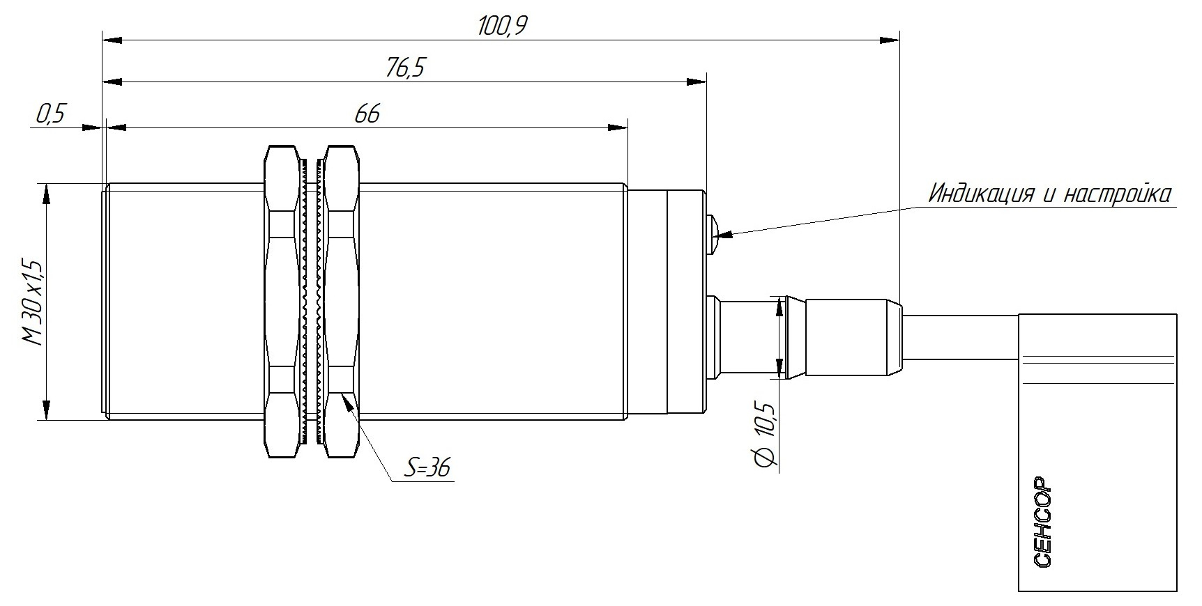
Индуктивные датчики скорости Ех
Индуктивные датчики скорости во взрывозащищенном исполнении серия ДКС-Ех, спроектированы с видом взрывозащиты «mb» (герметизация компаундом)
Индуктивные датчики с аналоговым выходом Ех
Индуктивные датчики с аналоговым выходом во взрывозащищенном исполнении серия ДПА-Ех, спроектированы с видом взрывозащиты «mb» (герметизация компаундом).
Взрывозащищенные емкостные датчики
Емкостные датчики положения во взрывозащищенном исполнении. Вид взрывозащиты «mb» (герметизация компаундом)
Датчики предельного уровня взрывозащищенные
Ёмкостные датчики предельного уровня во взрывозащищенном исполнении серия ДКЕ-Ех, спроектированы с видом взрывозащиты «mb» (герметизация компаундом).
Барьеры искрозащиты
Барьеры искрозащиты предназначены для обеспечения искробезопасных цепей, необходимых в условиях опасных производств, где находятся взрывоопасные зоны.
  1. Главная
  2. Аналоги
  3. DI5020 - DIA3010-ZPKG
DI5020 - DIA3010-ZPKG

DI5020 - DIA3010-ZPKG

IFM Electronic
Аналог:

Рекомендуемые аналоги

В наличии
Модификация: Контроль частоты вращения
Размер корпуса: Ø 30 мм
Расстояние срабатывания Sn, мм: 10
Схема выхода: PNP
Функция выхода: NO + NC (НО + НЗ)
Диапазон частот контроля, Гц: 2 - 50
Первоначальная задержка включения: 9 сек.
Степень защиты корпуса: IP67
9 713.64 ₽