Датчики позиционирования и наличия объектов
Датчики контроля уровня
Приборы для взрывоопасных зон
Приборы зон безопасности
Соединители
Блоки питания и барьеры искрозащиты
Принадлежности
Архив продукции
Индуктивные датчики положения Ех
Индуктивные датчики во взрывозащищенном исполнении серия ВБИ-Ех, спроектированы с видом взрывозащиты «mb» (герметизация компаундом).
Индуктивные датчики скорости Ех
Индуктивные датчики скорости во взрывозащищенном исполнении серия ДКС-Ех, спроектированы с видом взрывозащиты «mb» (герметизация компаундом)
Индуктивные датчики с аналоговым выходом Ех
Индуктивные датчики с аналоговым выходом во взрывозащищенном исполнении серия ДПА-Ех, спроектированы с видом взрывозащиты «mb» (герметизация компаундом).
Взрывозащищенные емкостные датчики
Емкостные датчики положения во взрывозащищенном исполнении. Вид взрывозащиты «mb» (герметизация компаундом)
Датчики предельного уровня взрывозащищенные
Ёмкостные датчики предельного уровня во взрывозащищенном исполнении серия ДКЕ-Ех, спроектированы с видом взрывозащиты «mb» (герметизация компаундом).
Барьеры искрозащиты
Барьеры искрозащиты предназначены для обеспечения искробезопасных цепей, необходимых в условиях опасных производств, где находятся взрывоопасные зоны.
  1. Главная
  2. Каталог
  3. Датчики контроля уровня
  4. Емкостные
  5. Датчики наполнения емкостные

Датчики контроля уровня сыпучих материалов

Бланк заказа

Заполните бланк заказа и мы подберем для вас датчики собственного произодства, согласно вашим требованиям

Заполнить бланк заказа
После заполнения бланка отправьте его нам на почту: sale@sensor-com.ru
Под заказ от 2 нед.
Длина чувствительного элемента: 2000
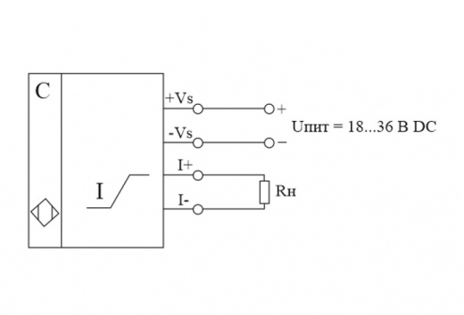
Тип выходного сигнала: Аналоговый 4-20 мА
Резьба узла крепления: G 1 ½
Материалы узла крепления: Сталь 12Х18Н10Т с фторопластовым уплотнителем
Материал груза: Сталь 12Х18Н10Т с фторопластовым уплотнителем
Температура контролируемой среды: -55 ... +80
Тип контролируемой среды: Сыпучий
62 767.00 ₽
Цена с НДС 22%
Под заказ от 2 нед.
Длина чувствительного элемента: 2000
Тип выходного сигнала: Аналоговый 4-20 мА
Резьба узла крепления: G 1 ½
Материалы узла крепления: Сталь 12Х18Н10Т с фторопластовым уплотнителем
Материал груза: Сталь 12Х18Н10Т с фторопластовым уплотнителем
Температура контролируемой среды: -55 ... +150
Тип контролируемой среды: Сыпучий
64 917.00 ₽
Цена с НДС 22%
Под заказ от 2 нед.
Длина чувствительного элемента: 2000
Тип выходного сигнала: Два реле для программирования уровней
Резьба узла крепления: G 1 ½
Материалы узла крепления: Сталь 12Х18Н10Т с фторопластовым уплотнителем
Материал груза: Сталь 12Х18Н10Т с фторопластовым уплотнителем
Температура контролируемой среды: -55 ... +80
Тип контролируемой среды: Сыпучий
65 640.00 ₽
Цена с НДС 22%
Под заказ от 2 нед.
Длина чувствительного элемента: 2000
Тип выходного сигнала: Два реле для программирования уровней
Резьба узла крепления: G 1 ½
Материалы узла крепления: Сталь 12Х18Н10Т с фторопластовым уплотнителем
Материал груза: Сталь 12Х18Н10Т с фторопластовым уплотнителем
Температура контролируемой среды: -55 ... +150
Тип контролируемой среды: Сыпучий
67 791.00 ₽
Цена с НДС 22%
Под заказ от 2 нед.
Длина чувствительного элемента: 2100
Тип выходного сигнала: Аналоговый 4-20 мА
Резьба узла крепления: G 1 ½
Материалы узла крепления: Сталь 12Х18Н10Т с фторопластовым уплотнителем
Материал груза: Сталь 12Х18Н10Т с фторопластовым уплотнителем
Температура контролируемой среды: -55 ... +80
Тип контролируемой среды: Сыпучий
62 784.00 ₽
Цена с НДС 22%
Под заказ от 2 нед.
Длина чувствительного элемента: 2100
Тип выходного сигнала: Аналоговый 4-20 мА
Резьба узла крепления: G 1 ½
Материалы узла крепления: Сталь 12Х18Н10Т с фторопластовым уплотнителем
Материал груза: Сталь 12Х18Н10Т с фторопластовым уплотнителем
Температура контролируемой среды: -55 ... +150
Тип контролируемой среды: Сыпучий
64 935.00 ₽
Цена с НДС 22%
Под заказ от 2 нед.
Длина чувствительного элемента: 2100
Тип выходного сигнала: Два реле для программирования уровней
Резьба узла крепления: G 1 ½
Материалы узла крепления: Сталь 12Х18Н10Т с фторопластовым уплотнителем
Материал груза: Сталь 12Х18Н10Т с фторопластовым уплотнителем
Температура контролируемой среды: -55 ... +80
Тип контролируемой среды: Сыпучий
65 657.00 ₽
Цена с НДС 22%
Под заказ от 2 нед.
Длина чувствительного элемента: 2100
Тип выходного сигнала: Два реле для программирования уровней
Резьба узла крепления: G 1 ½
Материалы узла крепления: Сталь 12Х18Н10Т с фторопластовым уплотнителем
Материал груза: Сталь 12Х18Н10Т с фторопластовым уплотнителем
Температура контролируемой среды: -55 ... +150
Тип контролируемой среды: Сыпучий
67 808.00 ₽
Цена с НДС 22%
Под заказ от 2 нед.
Длина чувствительного элемента: 2200
Тип выходного сигнала: Аналоговый 4-20 мА
Резьба узла крепления: G 1 ½
Материалы узла крепления: Сталь 12Х18Н10Т с фторопластовым уплотнителем
Материал груза: Сталь 12Х18Н10Т с фторопластовым уплотнителем
Температура контролируемой среды: -55 ... +80
Тип контролируемой среды: Сыпучий
62 801.00 ₽
Цена с НДС 22%
Под заказ от 2 нед.
Длина чувствительного элемента: 2200
Тип выходного сигнала: Аналоговый 4-20 мА
Резьба узла крепления: G 1 ½
Материалы узла крепления: Сталь 12Х18Н10Т с фторопластовым уплотнителем
Материал груза: Сталь 12Х18Н10Т с фторопластовым уплотнителем
Температура контролируемой среды: -55 ... +150
Тип контролируемой среды: Сыпучий
64 952.00 ₽
Цена с НДС 22%
Под заказ от 2 нед.
Длина чувствительного элемента: 2200
Тип выходного сигнала: Два реле для программирования уровней
Резьба узла крепления: G 1 ½
Материалы узла крепления: Сталь 12Х18Н10Т с фторопластовым уплотнителем
Материал груза: Сталь 12Х18Н10Т с фторопластовым уплотнителем
Температура контролируемой среды: -55 ... +80
Тип контролируемой среды: Сыпучий
65 675.00 ₽
Цена с НДС 22%
Под заказ от 2 нед.
Длина чувствительного элемента: 2200
Тип выходного сигнала: Два реле для программирования уровней
Резьба узла крепления: G 1 ½
Материалы узла крепления: Сталь 12Х18Н10Т с фторопластовым уплотнителем
Материал груза: Сталь 12Х18Н10Т с фторопластовым уплотнителем
Температура контролируемой среды: -55 ... +150
Тип контролируемой среды: Сыпучий
67 826.00 ₽
Цена с НДС 22%
Под заказ от 2 нед.
Длина чувствительного элемента: 2300
Тип выходного сигнала: Аналоговый 4-20 мА
Резьба узла крепления: G 1 ½
Материалы узла крепления: Сталь 12Х18Н10Т с фторопластовым уплотнителем
Материал груза: Сталь 12Х18Н10Т с фторопластовым уплотнителем
Температура контролируемой среды: -55 ... +80
Тип контролируемой среды: Сыпучий
62 818.00 ₽
Цена с НДС 22%
Под заказ от 2 нед.
Длина чувствительного элемента: 2300
Тип выходного сигнала: Аналоговый 4-20 мА
Резьба узла крепления: G 1 ½
Материалы узла крепления: Сталь 12Х18Н10Т с фторопластовым уплотнителем
Материал груза: Сталь 12Х18Н10Т с фторопластовым уплотнителем
Температура контролируемой среды: -55 ... +150
Тип контролируемой среды: Сыпучий
64 969.00 ₽
Цена с НДС 22%
Под заказ от 2 нед.
Длина чувствительного элемента: 2300
Тип выходного сигнала: Два реле для программирования уровней
Резьба узла крепления: G 1 ½
Материалы узла крепления: Сталь 12Х18Н10Т с фторопластовым уплотнителем
Материал груза: Сталь 12Х18Н10Т с фторопластовым уплотнителем
Температура контролируемой среды: -55 ... +80
Тип контролируемой среды: Сыпучий
65 692.00 ₽
Цена с НДС 22%
Под заказ от 2 нед.
Длина чувствительного элемента: 2300
Тип выходного сигнала: Два реле для программирования уровней
Резьба узла крепления: G 1 ½
Материалы узла крепления: Сталь 12Х18Н10Т с фторопластовым уплотнителем
Материал груза: Сталь 12Х18Н10Т с фторопластовым уплотнителем
Температура контролируемой среды: -55 ... +150
Тип контролируемой среды: Сыпучий
67 843.00 ₽
Цена с НДС 22%
Под заказ от 2 нед.
Длина чувствительного элемента: 2400
Тип выходного сигнала: Аналоговый 4-20 мА
Резьба узла крепления: G 1 ½
Материалы узла крепления: Сталь 12Х18Н10Т с фторопластовым уплотнителем
Материал груза: Сталь 12Х18Н10Т с фторопластовым уплотнителем
Температура контролируемой среды: -55 ... +80
Тип контролируемой среды: Сыпучий
62 836.00 ₽
Цена с НДС 22%
Под заказ от 2 нед.
Длина чувствительного элемента: 2400
Тип выходного сигнала: Аналоговый 4-20 мА
Резьба узла крепления: G 1 ½
Материалы узла крепления: Сталь 12Х18Н10Т с фторопластовым уплотнителем
Материал груза: Сталь 12Х18Н10Т с фторопластовым уплотнителем
Температура контролируемой среды: -55 ... +150
Тип контролируемой среды: Сыпучий
64 987.00 ₽
Цена с НДС 22%
Под заказ от 2 нед.
Длина чувствительного элемента: 2400
Тип выходного сигнала: Два реле для программирования уровней
Резьба узла крепления: G 1 ½
Материалы узла крепления: Сталь 12Х18Н10Т с фторопластовым уплотнителем
Материал груза: Сталь 12Х18Н10Т с фторопластовым уплотнителем
Температура контролируемой среды: -55 ... +80
Тип контролируемой среды: Сыпучий
65 709.00 ₽
Цена с НДС 22%
Под заказ от 2 нед.
Длина чувствительного элемента: 2400
Тип выходного сигнала: Два реле для программирования уровней
Резьба узла крепления: G 1 ½
Материалы узла крепления: Сталь 12Х18Н10Т с фторопластовым уплотнителем
Материал груза: Сталь 12Х18Н10Т с фторопластовым уплотнителем
Температура контролируемой среды: -55 ... +150
Тип контролируемой среды: Сыпучий
67 860.00 ₽
Цена с НДС 22%
Под заказ от 2 нед.
Длина чувствительного элемента: 2500
Тип выходного сигнала: Аналоговый 4-20 мА
Резьба узла крепления: G 1 ½
Материалы узла крепления: Сталь 12Х18Н10Т с фторопластовым уплотнителем
Материал груза: Сталь 12Х18Н10Т с фторопластовым уплотнителем
Температура контролируемой среды: -55 ... +80
Тип контролируемой среды: Сыпучий
62 853.00 ₽
Цена с НДС 22%
Под заказ от 2 нед.
Длина чувствительного элемента: 2500
Тип выходного сигнала: Аналоговый 4-20 мА
Резьба узла крепления: G 1 ½
Материалы узла крепления: Сталь 12Х18Н10Т с фторопластовым уплотнителем
Материал груза: Сталь 12Х18Н10Т с фторопластовым уплотнителем
Температура контролируемой среды: -55 ... +150
Тип контролируемой среды: Сыпучий
65 004.00 ₽
Цена с НДС 22%
Подберем модель
по вашим параметрам
Оставьте заявку, наш менеджер
свяжется с вами
Оставить заявку
Под заказ от 2 нед.
Длина чувствительного элемента: 2500
Тип выходного сигнала: Два реле для программирования уровней
Резьба узла крепления: G 1 ½
Материалы узла крепления: Сталь 12Х18Н10Т с фторопластовым уплотнителем
Материал груза: Сталь 12Х18Н10Т с фторопластовым уплотнителем
Температура контролируемой среды: -55 ... +80
Тип контролируемой среды: Сыпучий
65 726.00 ₽
Цена с НДС 22%

Преимущества

опыт
Опыт работы
Более 30 лет на рынке в области технологий промышленной автоматизации.
ассортимент
Ассортимент
Более 3000 наименований серийно выпускаемых бесконтактных выключателей (датчиков).
Продукция
Продукция
Вся продукция сертифицирована и соответствует требованиям Технического регламента
ТР ТС 004/2011
ТР ТС 012/2011
ТР ТС 020/2011
Качество
Качество
Современное оборудование, высокие технологии, полный контроль на каждом этапе производственного процесса.

Сертификаты на продукцию компании Сенсор

Собственное производство

Компания «СЕНСОР» — российский лидер в производстве бесконтактных датчиков и приборов для промышленной автоматизации.

Мы производим серийно более 3000 видов и типоразмеров приборов. Их разрабатывают, изготавливают и проверяют наши сотрудники. Производственные площади занимают 10000 кв. метров с высокоточным оборудованием и станками. В их числе - фрезерные обрабатывающие центры, токарные станки с ЧПУ, термопластавтоматы, 3D-принтеры и автоматическая линия поверхностного монтажа печатных плат.