Датчики позиционирования и наличия объектов
Датчики контроля уровня
Приборы для взрывоопасных зон
Приборы зон безопасности
Соединители
Блоки питания и барьеры искрозащиты
Принадлежности
Архив продукции
Индуктивные датчики положения Ех
Индуктивные датчики во взрывозащищенном исполнении серия ВБИ-Ех, спроектированы с видом взрывозащиты «mb» (герметизация компаундом).
Индуктивные датчики скорости Ех
Индуктивные датчики скорости во взрывозащищенном исполнении серия ДКС-Ех, спроектированы с видом взрывозащиты «mb» (герметизация компаундом)
Индуктивные датчики с аналоговым выходом Ех
Индуктивные датчики с аналоговым выходом во взрывозащищенном исполнении серия ДПА-Ех, спроектированы с видом взрывозащиты «mb» (герметизация компаундом).
Взрывозащищенные емкостные датчики
Емкостные датчики положения во взрывозащищенном исполнении. Вид взрывозащиты «mb» (герметизация компаундом)
Датчики предельного уровня взрывозащищенные
Ёмкостные датчики предельного уровня во взрывозащищенном исполнении серия ДКЕ-Ех, спроектированы с видом взрывозащиты «mb» (герметизация компаундом).
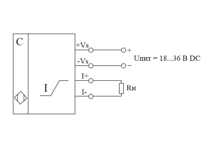
Барьеры искрозащиты
Барьеры искрозащиты предназначены для обеспечения искробезопасных цепей, необходимых в условиях опасных производств, где находятся взрывоопасные зоны.
  1. Главная
  2. Каталог
  3. Датчики контроля уровня
  4. Емкостные
  5. Датчики наполнения емкостные

Датчики контроля уровня жидкости

Датчики контроля уровня жидкости — это емкостное решение для точного и надежного мониторинга наполнения резервуаров в промышленных условиях. Российский производитель «СЕНСОР» предлагает широкий модельный ряд, разработанный для стабильной работы с различными типами жидкостей.

Наше собственное производство обеспечивает полный контроль качества, соответствие техническим регламентам ТР ТС и оптимальные сроки поставки оборудования под заказ (от 3 недель).

Бланк заказа

Заполните бланк заказа и мы подберем для вас датчики собственного произодства, согласно вашим требованиям

Заполнить бланк заказа
После заполнения бланка отправьте его нам на почту: sale@sensor-com.ru
В наличии
Длина чувствительного элемента: 10000
Тип выходного сигнала: Аналоговый 4-20 мА
Резьба узла крепления: G 1 ½
Материалы узла крепления: Сталь 12Х18Н10Т с фторопластовым уплотнителем
Материал груза: Сталь 12Х18Н10Т с фторопластовым уплотнителем
Температура контролируемой среды: -55 ... +80
Тип контролируемой среды: Жидкий
82 167.00 ₽
Цена с НДС 22%
Под заказ от 2 нед.
Длина чувствительного элемента: 2000
Тип выходного сигнала: Аналоговый 4-20 мА
Резьба узла крепления: G 1 ½
Материалы узла крепления: Сталь 06ХН28МДТ с фторопластовым уплотнителем
Материал груза: Сталь 06ХН28МДТ с фторопластовым уплотнителем
Температура контролируемой среды: -55 ... +80
Тип контролируемой среды: Жидкий
102 243.00 ₽
Цена с НДС 22%
Под заказ от 2 нед.
Длина чувствительного элемента: 2000
Тип выходного сигнала: Аналоговый 4-20 мА
Резьба узла крепления: G 1 ½
Материалы узла крепления: Сталь 12Х18Н10Т с фторопластовым уплотнителем
Материал груза: Сталь 12Х18Н10Т с фторопластовым уплотнителем
Температура контролируемой среды: -55 ... +80
Тип контролируемой среды: Жидкий
79 978.00 ₽
Цена с НДС 22%
Под заказ от 2 нед.
Длина чувствительного элемента: 2000
Тип выходного сигнала: Аналоговый 4-20 мА
Резьба узла крепления: G 1 ½
Материалы узла крепления: Сталь 06ХН28МДТ с фторопластовым уплотнителем
Материал груза: Сталь 06ХН28МДТ с фторопластовым уплотнителем
Температура контролируемой среды: -55 ... +150
Тип контролируемой среды: Жидкий
104 394.00 ₽
Цена с НДС 22%
Под заказ от 2 нед.
Длина чувствительного элемента: 2000
Тип выходного сигнала: Аналоговый 4-20 мА
Резьба узла крепления: G 1 ½
Материалы узла крепления: Сталь 12Х18Н10Т с фторопластовым уплотнителем
Материал груза: Сталь 12Х18Н10Т с фторопластовым уплотнителем
Температура контролируемой среды: -55 ... +150
Тип контролируемой среды: Жидкий
82 129.00 ₽
Цена с НДС 22%
Под заказ от 2 нед.
Длина чувствительного элемента: 2000
Тип выходного сигнала: Два реле для программирования уровней
Резьба узла крепления: G 1 ½
Материалы узла крепления: Сталь 06ХН28МДТ с фторопластовым уплотнителем
Материал груза: Сталь 06ХН28МДТ с фторопластовым уплотнителем
Температура контролируемой среды: -55 ... +80
Тип контролируемой среды: Жидкий
105 973.00 ₽
Цена с НДС 22%
Под заказ от 2 нед.
Длина чувствительного элемента: 2000
Тип выходного сигнала: Два реле для программирования уровней
Резьба узла крепления: G 1 ½
Материалы узла крепления: Сталь 12Х18Н10Т с фторопластовым уплотнителем
Материал груза: Сталь 12Х18Н10Т с фторопластовым уплотнителем
Температура контролируемой среды: -55 ... +80
Тип контролируемой среды: Жидкий
83 708.00 ₽
Цена с НДС 22%
Под заказ от 2 нед.
Длина чувствительного элемента: 2000
Тип выходного сигнала: Два реле для программирования уровней
Резьба узла крепления: G 1 ½
Материалы узла крепления: Сталь 06ХН28МДТ с фторопластовым уплотнителем
Материал груза: Сталь 06ХН28МДТ с фторопластовым уплотнителем
Температура контролируемой среды: -55 ... +150
Тип контролируемой среды: Жидкий
108 124.00 ₽
Цена с НДС 22%
Под заказ от 2 нед.
Длина чувствительного элемента: 2000
Тип выходного сигнала: Два реле для программирования уровней
Резьба узла крепления: G 1 ½
Материалы узла крепления: Сталь 12Х18Н10Т с фторопластовым уплотнителем
Материал груза: Сталь 12Х18Н10Т с фторопластовым уплотнителем
Температура контролируемой среды: -55 ... +150
Тип контролируемой среды: Жидкий
85 859.00 ₽
Цена с НДС 22%
Под заказ от 2 нед.
Длина чувствительного элемента: 2100
Тип выходного сигнала: Аналоговый 4-20 мА
Резьба узла крепления: G 1 ½
Материалы узла крепления: Сталь 06ХН28МДТ с фторопластовым уплотнителем
Материал груза: Сталь 06ХН28МДТ с фторопластовым уплотнителем
Температура контролируемой среды: -55 ... +80
Тип контролируемой среды: Жидкий
102 270.00 ₽
Цена с НДС 22%
Под заказ от 2 нед.
Длина чувствительного элемента: 2100
Тип выходного сигнала: Аналоговый 4-20 мА
Резьба узла крепления: G 1 ½
Материалы узла крепления: Сталь 12Х18Н10Т с фторопластовым уплотнителем
Материал груза: Сталь 12Х18Н10Т с фторопластовым уплотнителем
Температура контролируемой среды: -55 ... +80
Тип контролируемой среды: Жидкий
80 006.00 ₽
Цена с НДС 22%
Под заказ от 2 нед.
Длина чувствительного элемента: 2100
Тип выходного сигнала: Аналоговый 4-20 мА
Резьба узла крепления: G 1 ½
Материалы узла крепления: Сталь 06ХН28МДТ с фторопластовым уплотнителем
Материал груза: Сталь 06ХН28МДТ с фторопластовым уплотнителем
Температура контролируемой среды: -55 ... +150
Тип контролируемой среды: Жидкий
104 421.00 ₽
Цена с НДС 22%
Под заказ от 2 нед.
Длина чувствительного элемента: 2100
Тип выходного сигнала: Аналоговый 4-20 мА
Резьба узла крепления: G 1 ½
Материалы узла крепления: Сталь 12Х18Н10Т с фторопластовым уплотнителем
Материал груза: Сталь 12Х18Н10Т с фторопластовым уплотнителем
Температура контролируемой среды: -55 ... +150
Тип контролируемой среды: Жидкий
82 156.00 ₽
Цена с НДС 22%
Под заказ от 2 нед.
Длина чувствительного элемента: 2100
Тип выходного сигнала: Два реле для программирования уровней
Резьба узла крепления: G 1 ½
Материалы узла крепления: Сталь 06ХН28МДТ с фторопластовым уплотнителем
Материал груза: Сталь 06ХН28МДТ с фторопластовым уплотнителем
Температура контролируемой среды: -55 ... +80
Тип контролируемой среды: Жидкий
106 001.00 ₽
Цена с НДС 22%
Под заказ от 2 нед.
Длина чувствительного элемента: 2100
Тип выходного сигнала: Два реле для программирования уровней
Резьба узла крепления: G 1 ½
Материалы узла крепления: Сталь 12Х18Н10Т с фторопластовым уплотнителем
Материал груза: Сталь 12Х18Н10Т с фторопластовым уплотнителем
Температура контролируемой среды: -55 ... +80
Тип контролируемой среды: Жидкий
83 736.00 ₽
Цена с НДС 22%
Под заказ от 2 нед.
Длина чувствительного элемента: 2100
Тип выходного сигнала: Два реле для программирования уровней
Резьба узла крепления: G 1 ½
Материалы узла крепления: Сталь 06ХН28МДТ с фторопластовым уплотнителем
Материал груза: Сталь 06ХН28МДТ с фторопластовым уплотнителем
Температура контролируемой среды: -55 ... +150
Тип контролируемой среды: Жидкий
108 152.00 ₽
Цена с НДС 22%
Под заказ от 2 нед.
Длина чувствительного элемента: 2100
Тип выходного сигнала: Два реле для программирования уровней
Резьба узла крепления: G 1 ½
Материалы узла крепления: Сталь 12Х18Н10Т с фторопластовым уплотнителем
Материал груза: Сталь 12Х18Н10Т с фторопластовым уплотнителем
Температура контролируемой среды: -55 ... +150
Тип контролируемой среды: Жидкий
85 887.00 ₽
Цена с НДС 22%
Под заказ от 2 нед.
Длина чувствительного элемента: 2200
Тип выходного сигнала: Аналоговый 4-20 мА
Резьба узла крепления: G 1 ½
Материалы узла крепления: Сталь 06ХН28МДТ с фторопластовым уплотнителем
Материал груза: Сталь 06ХН28МДТ с фторопластовым уплотнителем
Температура контролируемой среды: -55 ... +80
Тип контролируемой среды: Жидкий
102 298.00 ₽
Цена с НДС 22%
Под заказ от 2 нед.
Длина чувствительного элемента: 2200
Тип выходного сигнала: Аналоговый 4-20 мА
Резьба узла крепления: G 1 ½
Материалы узла крепления: Сталь 12Х18Н10Т с фторопластовым уплотнителем
Материал груза: Сталь 12Х18Н10Т с фторопластовым уплотнителем
Температура контролируемой среды: -55 ... +80
Тип контролируемой среды: Жидкий
80 033.00 ₽
Цена с НДС 22%
Под заказ от 2 нед.
Длина чувствительного элемента: 2200
Тип выходного сигнала: Аналоговый 4-20 мА
Резьба узла крепления: G 1 ½
Материалы узла крепления: Сталь 06ХН28МДТ с фторопластовым уплотнителем
Материал груза: Сталь 06ХН28МДТ с фторопластовым уплотнителем
Температура контролируемой среды: -55 ... +150
Тип контролируемой среды: Жидкий
104 449.00 ₽
Цена с НДС 22%
Под заказ от 2 нед.
Длина чувствительного элемента: 2200
Тип выходного сигнала: Аналоговый 4-20 мА
Резьба узла крепления: G 1 ½
Материалы узла крепления: Сталь 12Х18Н10Т с фторопластовым уплотнителем
Материал груза: Сталь 12Х18Н10Т с фторопластовым уплотнителем
Температура контролируемой среды: -55 ... +150
Тип контролируемой среды: Жидкий
82 184.00 ₽
Цена с НДС 22%
Под заказ от 2 нед.
Длина чувствительного элемента: 2200
Тип выходного сигнала: Два реле для программирования уровней
Резьба узла крепления: G 1 ½
Материалы узла крепления: Сталь 06ХН28МДТ с фторопластовым уплотнителем
Материал груза: Сталь 06ХН28МДТ с фторопластовым уплотнителем
Температура контролируемой среды: -55 ... +80
Тип контролируемой среды: Жидкий
106 028.00 ₽
Цена с НДС 22%
Подберем модель
по вашим параметрам
Оставьте заявку, наш менеджер
свяжется с вами
Оставить заявку
Под заказ от 2 нед.
Длина чувствительного элемента: 2200
Тип выходного сигнала: Два реле для программирования уровней
Резьба узла крепления: G 1 ½
Материалы узла крепления: Сталь 12Х18Н10Т с фторопластовым уплотнителем
Материал груза: Сталь 12Х18Н10Т с фторопластовым уплотнителем
Температура контролируемой среды: -55 ... +80
Тип контролируемой среды: Жидкий
83 763.00 ₽
Цена с НДС 22%

Основные преимущества датчиков контроля жидкости:

  • Высокая точность: Стабильная работа в диапазоне температур контролируемой среды от -55°C до +150°C.

  • Универсальность и надежность: Для контроля уровня жидкости доступны исполнения из коррозионно-стойкой стали 06ХН28МДТ или нержавеющей стали 12Х18Н10Т. Оба варианта оснащены фторопластовым уплотнителем.

  • Гибкость настройки: Выбор типа выходного сигнала под задачу — аналоговый (4-20 мА) для непрерывного мониторинга или два программируемых реле для сигнализации.

  • Прочный конструктив: Стандартная резьба крепления G 1 ½ и длина чувствительного элемента от 2000 мм.

Области применения датчиков контроля уровня

Емкостной датчик контроля уровня жидкости применяется в системах автоматизации химической, пищевой, фармацевтической, нефтегазовой и других отраслей для мониторинга воды, технологических растворов, масел и иных жидкостей.

Алгоритм выбора датчика уровня жидкости:

  1. Определите необходимый выходной сигнал (аналоговый 4-20 мА или релейный).
  2. Выберите материал датчика, исходя из химических свойств жидкости.
  3. Уточните максимальную рабочую температуру в емкости.
  4. Подберите требуемую длину чувствительного элемента.

Консультация и заказ датчиков уровня

Для подбора оптимальной модели датчика контроля уровня жидкости под ваши условия заполните Бланк заказа и отправьте на sale@sensor-com.ru. Также вы можете оставить заявку на сайте для бесплатной консультации с нашим специалистом.

Цены на странице включают НДС 20%. Окончательная стоимость и сроки поставки подтверждаются после обработки заявки.

Преимущества

опыт
Опыт работы
Более 30 лет на рынке в области технологий промышленной автоматизации.
ассортимент
Ассортимент
Более 3000 наименований серийно выпускаемых бесконтактных выключателей (датчиков).
Продукция
Продукция
Вся продукция сертифицирована и соответствует требованиям Технического регламента
ТР ТС 004/2011
ТР ТС 012/2011
ТР ТС 020/2011
Качество
Качество
Современное оборудование, высокие технологии, полный контроль на каждом этапе производственного процесса.

Сертификаты на продукцию компании Сенсор

Собственное производство

Компания «СЕНСОР» — российский лидер в производстве, выпускающий Датчики контроля уровня жидкости для промышленной автоматизации.

Мы производим серийно более 3000 видов и типоразмеров приборов. Их разрабатывают, изготавливают и проверяют наши сотрудники. Производственные площади занимают 10000 кв. метров с высокоточным оборудованием и станками. В их числе - фрезерные обрабатывающие центры, токарные станки с ЧПУ, термопластавтоматы, 3D-принтеры и автоматическая линия поверхностного монтажа печатных плат.