Датчики позиционирования и наличия объектов
Датчики контроля уровня
Приборы для взрывоопасных зон
Приборы зон безопасности
Соединители
Блоки питания и барьеры искрозащиты
Принадлежности
Архив продукции
Индуктивные датчики положения Ех
Индуктивные датчики во взрывозащищенном исполнении серия ВБИ-Ех, спроектированы с видом взрывозащиты «mb» (герметизация компаундом).
Индуктивные датчики скорости Ех
Индуктивные датчики скорости во взрывозащищенном исполнении серия ДКС-Ех, спроектированы с видом взрывозащиты «mb» (герметизация компаундом)
Индуктивные датчики с аналоговым выходом Ех
Индуктивные датчики с аналоговым выходом во взрывозащищенном исполнении серия ДПА-Ех, спроектированы с видом взрывозащиты «mb» (герметизация компаундом).
Взрывозащищенные емкостные датчики
Емкостные датчики положения во взрывозащищенном исполнении. Вид взрывозащиты «mb» (герметизация компаундом)
Датчики предельного уровня взрывозащищенные
Ёмкостные датчики предельного уровня во взрывозащищенном исполнении серия ДКЕ-Ех, спроектированы с видом взрывозащиты «mb» (герметизация компаундом).
Барьеры искрозащиты
Барьеры искрозащиты предназначены для обеспечения искробезопасных цепей, необходимых в условиях опасных производств, где находятся взрывоопасные зоны.
  1. Главная
  2. Каталог
  3. Датчики контроля уровня
  4. Емкостные
  5. Датчики наполнения емкостные
  6. ДНЕ-4Г157-110К44

Датчик контроля уровня ДНЕ-4Г157-110К44

Характеристики
Доставка
Документы

Технические характеристики

Длина чувствительного элемента
15700 (мм)
Тип чувствительного элемента
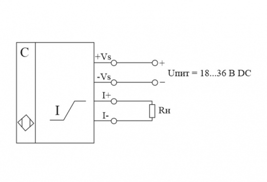
Тип выходного сигнала
Аналоговый 4-20 мА (Питание 24 В DC. Аналоговый выход 0-20 мА или 4-20 мА)
Резьба узла крепления
G 1 ½ (Крепление к процессу)
Материалы узла крепления
Сталь 12Х18Н10Т с фторопластовым уплотнителем
Материал груза
Сталь 12Х18Н10Т с фторопластовым уплотнителем
Температура контролируемой среды
-55 ... +80 (°С)
Тип контролируемой среды

Способ получения товара

Самовывоз
Отгрузка товаров из наличия на складе производится на следующий рабочий день с момента зачисления денег на счет продавца.
Пункты самовывоза:

  • Свердловская обл., г. Екатеринбург, ул.Шефская, д.62
    Время работы: 9.00 до 17.30
  • Свердловская обл., г. Екатеринбург, ул.Учителей, 44
    Время работы: 9.00 до 16.00

При получении товара, у представителя юридического лица должна быть доверенность с печатью от компании-плательщика или сама печать.
Частные покупатели (физические лица) для получения товара должны предъявить паспорт.

Бесплатная доставка
Осуществляется почтой России в любой населенный пункт РФ до почтового отделения.

Доставка за счет покупателя
Транспортными компаниями: Деловые Линии, Экспресс-авто, СДЭК, КИТ, ПЭК, Байкал-Сервис, ЖелДорЭкспедиция.
Доставка до терминала транспортной компании в городе Екатеринбурге осуществляется бесплатно.

Доставка в ближнее зарубежье: Казахстан, Беларусь, Киргизия, Армения, осуществляется за счет покупателя.
Забор груза производится транспортной (курьерской компанией) по адресу г. Екатеринбург, ул. Шефская, 62.
Сумма доставки может включаться в цену продукции, при выставлении счета.

Так же заказчик может самостоятельно заказать транспортную компанию и оплатить ее услуги.

Преимущества

опыт
Опыт работы
Более 30 лет на рынке в области технологий промышленной автоматизации.
ассортимент
Ассортимент
Более 3000 наименований серийно выпускаемых бесконтактных выключателей (датчиков).
Продукция
Продукция
Вся продукция сертифицирована и соответствует требованиям Технического регламента
ТР ТС 004/2011
ТР ТС 012/2011
ТР ТС 020/2011
Качество
Качество
Современное оборудование, высокие технологии, полный контроль на каждом этапе производственного процесса.

Сертификаты на продукцию компании Сенсор

Гарантия производителя

Гарантийный срок эксплуатации – 24 месяца со дня отгрузки изделий.
Предприятие-изготовитель в течение гарантийного срока заменяет вышедшие из строя изделия при соблюдении правил их эксплуатации, транспортирования и хранения. 

Для осуществления замены неработоспособные выключатели следует вернуть на предприятие - изготовитель для установления причин выхода из строя.Возвращаемые изделия необходимо сопроводить рекламацией с описанием реальных условий эксплуатации и проявления неисправности.

Подробнее
Собственное производство

Компания «СЕНСОР» — российский лидер в производстве бесконтактных датчиков и выключателей промышленного назначения.

Мы производим серийно более 3000 наименований бесконтактных выключателей (датчиков). Их разрабатывают, изготавливают и проверяют наши сотрудники. Производственные площади занимают 10000 кв. метров с высокоточным оборудованием и станками. В их числе - фрезерные обрабатывающие центры, токарные станки с ЧПУ, термопластавтоматы, 3D-принтеры и автоматическая линия поверхностного монтажа печатных плат.